
產品名稱:D371X蝸輪氟橡膠蝶閥
產品標簽:蝶閥,蝸輪氟橡膠蝶閥
更新時間:2019/5/28 15:17:16
上一個產品: D372X蝸輪對夾式軟密封蝶閥
下一個產品:D71X/D371X對夾式軟密封蝶閥
在線訂購:在線訂購
產品詳情
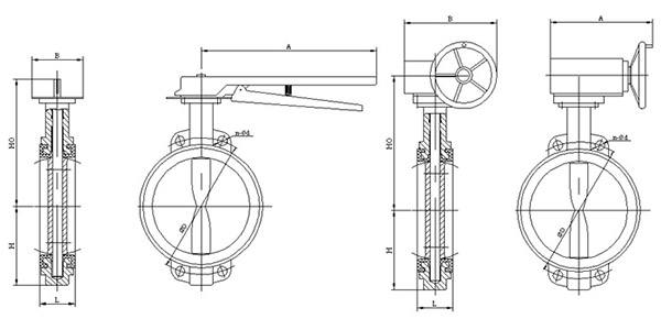
公稱通經DN(mm) |
50~2000 |
50~1600 |
|
公稱藥理PN(MPa) |
0.6 |
1.0 |
1.6 |
密封試驗(MPa) |
0.66 |
1.1 |
1.76 |
強度試驗(MPa) |
0.9 |
1.5 |
2.4 |
適用溫度 |
丁腈橡膠:-40℃~90℃氟橡膠:-20℃~200℃ |
||
適用介質 |
水、空氣、天然氣、油品及弱腐蝕性流體 |
||
泄漏率 |
符合GB/T13927-92標準 |
||
驅動方式 |
蝸輪傳動、電動、氣動、液動 |
||
零件名稱 |
材料 |
閥體 |
WCB、QT450-10、HT200、HT250 |
蝶板 |
WCB、QT450-10、HT200、HT250 |
閥軸 |
2Cr13 |
密封圈 |
丁腈耐油橡膠 |
填料 |
柔性石墨 |
制造標準 |
GB/T 122387-89 |
法蘭標準 |
GB9113-2000、GB17241.6-1998 |
結構長度標準 |
GB12221-89 |
檢驗標準 |
GB/T 13927-92 |
DN |
L |
H |
H1 |
A |
B |
ФD |
||
0.6MPa |
1.0MPa |
1.6MPa |
||||||
50 |
43 |
77 |
309 |
180 |
200 |
88 |
99 |
99 |
65 |
46 |
85 |
320 |
180 |
200 |
108 |
118 |
118 |
80 |
46 |
95 |
340 |
180 |
200 |
124 |
132 |
132 |
100 |
52 |
105 |
360 |
180 |
200 |
144 |
156 |
156 |
125 |
56 |
129 |
405 |
180 |
200 |
174 |
184 |
184 |
150 |
56 |
132 |
450 |
270 |
280 |
199 |
211 |
211 |
200 |
60 |
165 |
607 |
270 |
280 |
254 |
266 |
266 |
250 |
68 |
197 |
659 |
270 |
280 |
309 |
319 |
319 |
300 |
78 |
234 |
742 |
380 |
420 |
363 |
370 |
370 |
350 |
78 |
283 |
792 |
380 |
420 |
413 |
429 |
429 |
400 |
102 |
325 |
887 |
450 |
470 |
463 |
480 |
480 |
450 |
114 |
369 |
935 |
480 |
490 |
518 |
530 |
548 |
500 |
127 |
404 |
985 |
480 |
490 |
568 |
582 |
609 |
600 |
154 |
470 |
1243 |
480 |
490 |
667 |
682 |
720 |
700 |
165 |
503 |
1346 |
640 |
660 |
772 |
794 |
794 |
800 |
190 |
571 |
1466 |
640 |
660 |
878 |
901 |
901 |
900 |
203 |
621 |
1565 |
750 |
860 |
978 |
1001 |
1001 |
1000 |
216 |
702 |
1781 |
850 |
900 |
1078 |
1112 |
1112 |
1200 |
254 |
818 |
1965 |
850 |
900 |
1295 |
1328 |
1328 |
![]() |





