
產品名稱:D942X電動軟密封蝶閥
產品標簽:蝶閥,電動軟密封蝶閥
更新時間:2019/5/29 9:09:46
上一個產品: D941X/F電動法蘭式蝶閥
下一個產品:D941X電動法蘭蝶閥
在線訂購:在線訂購
產品詳情
公稱通經DN(mm) |
50~2000 |
50~1600 |
|
公稱藥理PN(MPa) |
0.6 |
1.0 |
1.6 |
密封試驗(MPa) |
0.66 |
1.1 |
1.76 |
強度試驗(MPa) |
0.9 |
1.5 |
2.4 |
適用溫度 |
丁腈橡膠:-40℃~90℃氟橡膠:-20℃~200℃ |
||
適用介質 |
水、空氣、天然氣、油品及弱腐蝕性流體 |
||
泄漏率 |
符合GB/T13927-92標準 |
||
驅動方式 |
蝸輪傳動、電動、氣動、液動 |
||
零件名稱 |
材料 |
閥體 |
WCB、QT450-10、HT200、HT250 |
蝶板 |
WCB、QT450-10、HT200、HT250 |
閥軸 |
2Cr13 |
密封圈 |
丁腈耐油橡膠 |
填料 |
柔性石墨 |
制造標準 |
GB/T 122387-89 |
法蘭標準 |
GB9113-2000、GB17241.6-1998 |
結構長度標準 |
GB12221-89 |
檢驗標準 |
GB/T 13927-92 |
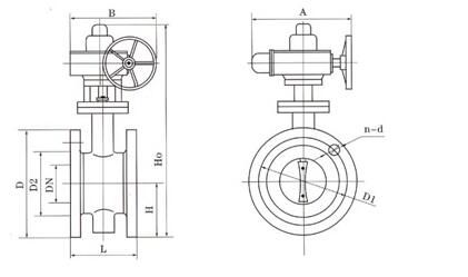
DN |
主要外形連接尺寸 |
法蘭尺寸和螺栓孔尺寸 |
|||||||||||||||
L |
H |
H1 |
A |
B |
0.6MPa |
1.0MPa |
1.6MPa |
||||||||||
D |
D1 |
D2 |
n-d |
D |
D1 |
D2 |
n-d |
D |
D1 |
D2 |
n-d |
||||||
50 |
108 |
82.5 |
443 |
125 |
125 |
140 |
110 |
88 |
4-14 |
185 |
125 |
99 |
4-18 |
165 |
125 |
99 |
4-18 |
65 |
112 |
92.5 |
463 |
125 |
125 |
160 |
130 |
108 |
4-14 |
185 |
145 |
118 |
4-18 |
185 |
145 |
118 |
4-18 |
80 |
114 |
100 |
483 |
125 |
125 |
190 |
150 |
124 |
4-18 |
200 |
160 |
132 |
8-18 |
200 |
160 |
132 |
8-18 |
100 |
127 |
110 |
498 |
125 |
125 |
210 |
170 |
144 |
4-18 |
220 |
180 |
156 |
8-18 |
220 |
180 |
156 |
8-18 |
125 |
140 |
125 |
682 |
325 |
245 |
240 |
20 |
174 |
8-18 |
250 |
210 |
184 |
8-18 |
250 |
210 |
184 |
8-18 |
150 |
140 |
142.5 |
736 |
325 |
245 |
265 |
225 |
199 |
8-18 |
285 |
240 |
211 |
8-22 |
285 |
240 |
211 |
8-22 |
200 |
152 |
170 |
800 |
325 |
245 |
320 |
280 |
254 |
8-18 |
340 |
295 |
266 |
8-22 |
340 |
295 |
266 |
12-22 |
250 |
165 |
192.5 |
895 |
363 |
313 |
375 |
335 |
309 |
12-18 |
395 |
350 |
319 |
12-22 |
405 |
355 |
319 |
12-26 |
300 |
178 |
222.5 |
956 |
363 |
313 |
440 |
395 |
363 |
12-22 |
445 |
400 |
370 |
12-22 |
460 |
410 |
370 |
12-26 |
350 |
190 |
252.5 |
1029 |
363 |
313 |
490 |
445 |
413 |
12-22 |
505 |
460 |
429 |
16-22 |
520 |
470 |
429 |
16-26 |
400 |
216 |
282.5 |
1103 |
363 |
313 |
540 |
495 |
463 |
16-22 |
565 |
515 |
480 |
16-26 |
580 |
525 |
480 |
16-30 |
450 |
222 |
307.5 |
1186 |
465 |
439 |
595 |
550 |
518 |
16-22 |
615 |
565 |
530 |
20-26 |
640 |
585 |
548 |
20-30 |
500 |
229 |
335 |
1280 |
546 |
481 |
645 |
600 |
568 |
20-22 |
670 |
620 |
582 |
20-26 |
715 |
650 |
609 |
20-33 |
600 |
267 |
390 |
1321 |
546 |
556 |
755 |
705 |
667 |
20-26 |
780 |
725 |
682 |
20-30 |
840 |
770 |
720 |
20-36 |
700 |
292 |
447.5 |
1431 |
546 |
556 |
860 |
810 |
772 |
24-26 |
895 |
840 |
794 |
24-30 |
910 |
840 |
794 |
24-36 |
800 |
318 |
507.5 |
1542 |
546 |
556 |
975 |
920 |
878 |
24-30 |
1015 |
950 |
901 |
24-33 |
1025 |
950 |
901 |
24-39 |
900 |
330 |
557.5 |
1800 |
617 |
706 |
1075 |
1020 |
978 |
24-30 |
1115 |
1050 |
1001 |
28-33 |
1125 |
1050 |
1001 |
28-39 |
1000 |
410 |
615 |
2363 |
632 |
706 |
1175 |
1120 |
1078 |
28-30 |
1230 |
1160 |
1112 |
28-36 |
1255 |
1170 |
1112 |
28-42 |
1200 |
470 |
727.5 |
2583 |
632 |
706 |
1405 |
1340 |
1295 |
32-33 |
1455 |
1380 |
1328 |
32-39 |
1485 |
1390 |
1328 |
32-48 |
1400 |
530 |
837.5 |
2710 |
790 |
1338 |
1630 |
1560 |
1510 |
36-36 |
1675 |
1590 |
1530 |
36-42 |
1685 |
1590 |
1530 |
36-48 |
1600 |
600 |
957.5 |
2845 |
868 |
1476 |
1830 |
1760 |
1710 |
40-36 |
1915 |
1820 |
1750 |
40-48 |
1930 |
1820 |
1750 |
40-56 |
1800 |
670 |
1057.5 |
3060 |
868 |
1476 |
2045 |
1970 |
1918 |
44-39 |
2115 |
2020 |
1950 |
44-48 |
2130 |
2020 |
1950 |
44-56 |
2000 |
760 |
1162.5 |
3350 |
965 |
1600 |
2265 |
2180 |
2125 |
48-42 |
2325 |
2230 |
2150 |
48-48 |
2345 |
2230 |
2150 |
48-62 |
![]() |





