
產品名稱:Q641F氣動帶手輪球閥
產品標簽:球閥,氣動帶手輪球閥
更新時間:2019/6/5 9:27:21
上一個產品: Q911F電動內螺紋球閥
下一個產品:Q14F/Q15F高平臺三通球閥
在線訂購:在線訂購
產品詳情
設計依據 |
國標系列 |
美標系列 |
|
設計標準 |
GB/T12237 |
AP16D |
ANSI B16.34 |
法蘭連接結構長度 |
GB/T12221 |
AP16D |
ANSI B16.10 |
結構長度(焊接) |
GB/T15188.1 |
AP16D |
ANSI B16.10 |
連接法蘭 |
GB/T9113 |
ANSI B16.5、B16.47 |
|
對焊端 |
GB/T12224 |
ANSI B16.25 |
|
序號 |
零件名稱 |
材質 |
|
GB |
ASTM |
||
1 |
閥體 |
WCB |
A2116-WCB |
2 |
密封圈 |
PTFE |
PTFE |
3 |
球體 |
1C18Ni9Ti |
SS304 |
4 |
螺母 |
35 |
A194-2H |
5 |
螺柱 |
35CrMoA |
A193-B7 |
6 |
石體 |
WCB |
A216-WCB |
7 |
墊片 |
柔性石墨+不銹鋼 |
B12.10-304F/.G |
8 |
填料 |
PTFE |
PTFE |
9 |
填料壓蓋 |
WCB |
A2116-WCB |
10 |
定位片 |
25 |
A105 |
11 |
擋圈 |
65Mn |
AISI 1066 |
12 |
手柄 |
K33 |
A47-667 |
13 |
閥桿 |
1Cr33 |
A276-410 |
14 |
螺釘 |
35 |
A193-B7 |
15 |
止推墊片 |
PTFE |
PTFE |
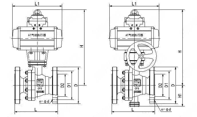
公稱通徑DN(mm) |
尺寸(mm) |
執行器型號 |
||||||
L |
D |
D1 |
D2 |
b |
f |
Z-Φd |
||
15 |
108 |
95 |
65 |
45 |
14 |
2 |
4-14 |
GT52/GT63K |
20 |
117 |
105 |
75 |
55 |
14 |
4-14 |
GT63/GT63K |
|
25 |
127 |
115 |
85 |
65 |
14 |
4-14 |
GT63/GT83K |
|
32 |
140 |
135 |
100 |
78 |
16 |
4-18 |
GT83/GT83K |
|
40 |
165 |
145 |
110 |
85 |
16 |
3 |
4-18 |
GT83/GT110K |
50 |
178 |
160 |
125 |
100 |
16 |
4-18 |
GT83/GT110K |
|
65 |
190 |
180 |
145 |
120 |
18 |
4-18 |
GT110/GT127K |
|
80 |
203 |
195 |
160 |
135 |
20 |
8-18 |
GT127/GT127K |
|
100 |
305 |
215 |
180 |
155 |
20 |
8-18 |
GT127/GT160K |
|
125 |
256 |
245 |
210 |
185 |
22 |
8-18 |
GT160/GT190K |
|
150 |
394 |
280 |
240 |
210 |
24 |
8-23 |
GT190/GT210K |
|
200 |
457 |
335 |
295 |
265 |
26 |
12-23 |
GT254/BAW20S |
|
250 |
533 |
405 |
335 |
320 |
30 |
12-25 |
BAW17/BAW20S |
|
![]() |





