
產品名稱:Q641F氣動法蘭球閥
產品標簽:球閥,氣動法蘭球閥
更新時間:2019/6/6 9:21:23
上一個產品: Q41N/F液化氣天然氣專用球閥
下一個產品:Q671F氣動對夾式球閥
在線訂購:在線訂購
產品詳情
公稱通徑mm |
DN15-DN300 |
|
||||||||||
材料代號 |
C |
P |
R |
|
||||||||
主要 |
閥體 |
WCB |
ZG1Cr18 |
ZG1Cr18Ni |
|
|||||||
球體 |
2Cr13 |
1Cr18Ni9Ti |
1Cr18Ni12MoTi |
|
||||||||
閥桿 |
2Cr13 |
1Cr18Ni9Ti |
1Cr18Ni12MoTi |
|
||||||||
密封圈 |
增強聚四氟乙烯 對位聚苯 金屬密封 |
|
||||||||||
填料 |
聚四氟乙烯 柔性石墨 |
|
||||||||||
適用 |
適用 |
蒸汽、 |
硝酸類 |
醋酸類 |
|
|||||||
適用 |
-28℃ - 300℃ |
|
||||||||||
執行器 |
型號 |
DA/SR系列、GTD/GTE系列、QGSY系列等 |
|
|||||||||
氣源 |
0.4-0.7MPa |
|
||||||||||
試驗壓力 |
公稱壓力(Mpa) |
壓力級(class) |
JIS(Mpa) |
|||||||||
1.6 |
2.5 |
4.0 |
6.4 |
10.0 |
150 |
300 |
600 |
10K |
20K |
|||
強度試驗 |
2.4 |
3.8 |
6.0 |
9.6 |
15.0 |
3.1 |
7.8 |
15.3 |
2.4 |
3.8 |
||
密封試驗 |
1.8 |
2.8 |
4.4 |
7.0 |
11.0 |
2.2 |
5.6 |
11.2 |
1.5 |
2.8 |
||
|
|
|
|
|
|
|
|
|
|
|
|
|
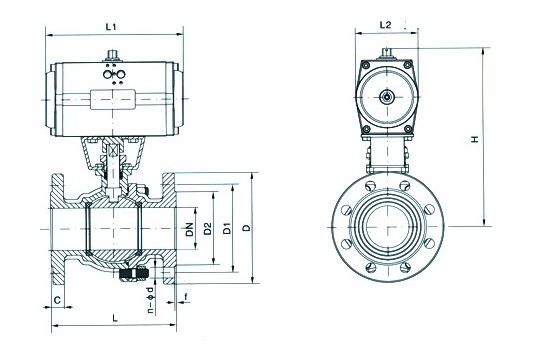
公稱通徑 |
尺 寸(mm) |
執 行 器 型 號 |
||||||||||||||
1.6MPa |
2.5MPa |
4.0MPa |
||||||||||||||
L |
D |
D1 |
b |
Z-фD |
L |
D |
D1 |
b |
Z-фD |
L |
D |
D1 |
b |
Z-фD |
可選配DA/SR、QGSY、 |
|
15 |
130 |
95 |
65 |
14 |
4-14 |
130 |
95 |
65 |
16 |
4-14 |
130 |
130 |
65 |
16 |
4-14 |
|
20 |
130 |
105 |
75 |
14 |
4-14 |
130 |
105 |
75 |
16 |
4-14 |
150 |
150 |
75 |
16 |
4-14 |
|
25 |
140 |
115 |
85 |
14 |
4-14 |
140 |
115 |
85 |
16 |
4-14 |
160 |
160 |
85 |
16 |
4-14 |
|
32 |
165 |
135 |
100 |
16 |
4-18 |
165 |
135 |
100 |
18 |
4-18 |
180 |
180 |
100 |
18 |
4-18 |
|
40 |
165 |
145 |
110 |
16 |
4-18 |
165 |
145 |
110 |
18 |
4-18 |
200 |
200 |
110 |
18 |
4-18 |
|
50 |
203 |
160 |
125 |
16 |
4-18 |
203 |
160 |
125 |
20 |
4-18 |
230 |
230 |
125 |
20 |
4-18 |
|
65 |
222 |
180 |
145 |
18 |
4-18 |
222 |
180 |
145 |
22 |
8-18 |
290 |
290 |
145 |
22 |
8-18 |
|
80 |
241 |
195 |
160 |
20 |
8-18 |
241 |
195 |
160 |
22 |
8-18 |
310 |
310 |
160 |
22 |
8-18 |
|
100 |
305 |
215 |
180 |
20 |
8-18 |
305 |
230 |
190 |
24 |
8-23 |
350 |
350 |
190 |
24 |
8-23 |
|
125 |
356 |
245 |
210 |
22 |
8-18 |
356 |
270 |
220 |
28 |
8-25 |
400 |
270 |
220 |
28 |
8-25 |
|
150 |
394 |
280 |
240 |
24 |
8-23 |
394 |
300 |
250 |
30 |
8-25 |
480 |
300 |
250 |
30 |
8-25 |
|
200 |
457 |
335 |
295 |
28 |
12-23 |
457 |
360 |
310 |
34 |
12-25 |
600 |
375 |
320 |
38 |
12-30 |
|
![]() |





